• Blog
  • Sitemap
  • 日本語
    • English
    • 中文
元一實業股份有限公司
  • News
  • Download
元一實業股份有限公司
  • 会社概要
  • 設備紹介
  • 事業内容
  • 品質保証
  • 協力事業
  • プロジェクト
  • 技術情報
  • お問い合わせ
    Member Account Download

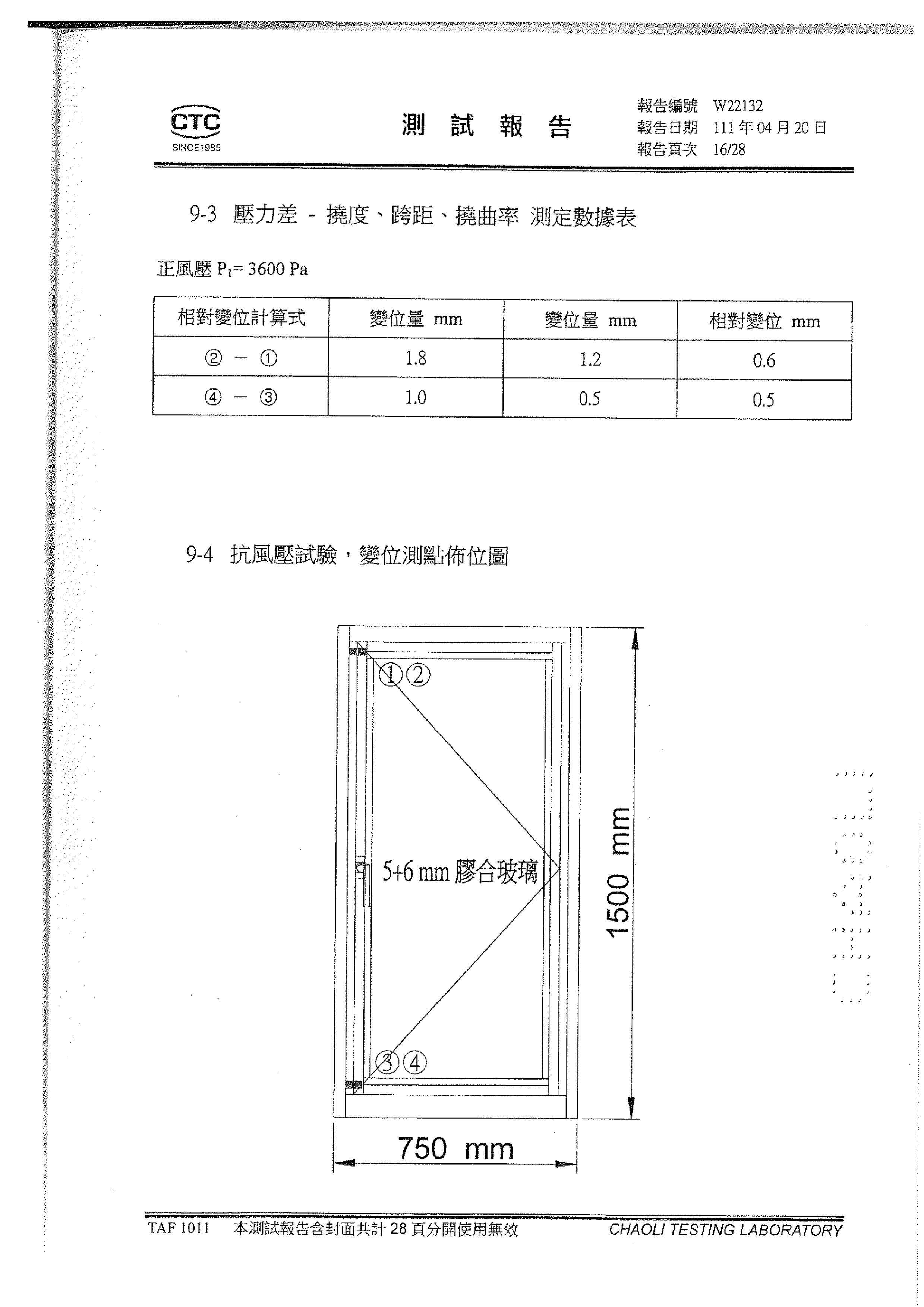
2022--兆立風測報告-YE699C

  1. HOME
  2. 品質保証
  3. 試驗報告

 

 

品質保証

  • グリーン建築材料証明
  • 台湾 MIT(メイドインタイワン)スマイル商品金選入選証書
    • 台湾 MIT(メイドインタイワン)スマイル商品金選入選証書
  • 2019年度台灣精品獎(台湾良品賞)
  • 2018年度台灣精品獎(台湾良品賞)
  • 2017年度台灣精品獎(台湾良品賞)
  • 2016年度台灣精品獎(台湾良品賞)
    • 節能內開內導窗(YE-628)
  • 2015年度台灣精品獎(台湾良品賞)
    • 省エネ通風ドア(YE-1109)
  • 2014年度台灣精品獎(台湾良品賞)
    • 網戸内側取外し式引違い窓(YE-918/919)
    • 省エネ・気密開き窓(YE-698/699)
    • 省エネ・気密引違い窓/フランス窓(YE-219)
  • 2013年度台灣精品獎(台湾良品賞)
    • 省エネカーテンウォール(CWシリーズ)
    • 省エネ・目隠し枠突き出し窓(YE-611)
    • 省エネ・気密開き窓(YE-661)
    • 省エネ・気密引き違い窓(YE-218)
  • ISO 9001:2015版證書
  • 国家認定のCNS
    • CNS 3941
    • CNS 3940
    • CNS 3308
    • CNS 3228
    • CNS 3227
  • スマイルMIT(台湾製品)ロゴ
    • スマイルMIT(台湾製品)ロゴ
  • 試驗報告
    • 成大隔音測試報告TAF-YE699
    • 金屬中心風測報告-YE219D2
    • 成大隔音測試報告TAF-YE698C
    • 金屬中心風測報告-YE218B2
    • 成大隔音測試報告TAF-YE218
    • 2022--兆立風測報告-YE699C
    • 2022--成大隔音測試報告TAF-YE219
    • 2022--成大隔音測試報告TAF-YE699
    • YE698C風雨測試報告
    • YE1409G隔音測試報告
    • YE-698隔音測試報告(成大研究發展基金會)
    • YE-699隔音測試報告(內政部建研所)
  • ゴールデンピン(Golden Pin Design Award)
    • 2014 ゴールデンピン(2014 Golden Pin Design Award)

+886-6-2662511 · FAX +886-6-2664065 +886-6-2664233 · ye@yuangee.com.tw
NO.193, SEC. 1, ERREN RD., RENDE DIST, TAINAN CITY 71755, TAIWAN, R.O.C.

© 2022 . All Rights Reserved.